X870I AORUS PRO ICE在技嘉官網出現了,雖然不在首發X870清單中,但這消息真的少 https://www.gigabyte.com/tw/Motherboard/X870I-AORUS-PRO-ICE#kf 外觀跟今年技嘉白色系列一樣,所有插槽都是白色系 https://i.imgur.com/F1TuYOL.png
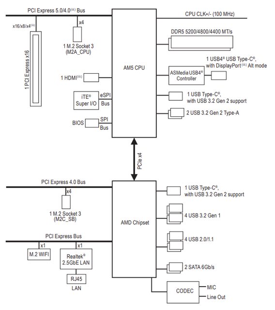
Diagram: https://i.imgur.com/BH8fuxv.png
其實X870就是B650E+USB4 以下跟技嘉上代B650I做了一些差異比較 B650I -> X870I VRM: 8相105A(有熱導管) -> 8相110A(無熱導管) PCB: 12層 -> 10層 SATA: 4 -> 2 Wifi: Wifi 6E -> Wifi 7(160MHz) M.2: PCI-E4.0*2 + PCIE5.0*1 -> PCI-E4.0*1 + PCI-E5.0*1 ARGB PIN: 1 -> 2 前方USB 2.0:USB2.0*4(HUB) -> USB2.0*2 前方Type-C:20Gbps -> 10Gbps 後方IO: USB2.0、USB3.0 5Gbps、USB3.0 10Gbps、Type-C 10Gbps數量不變,新增"一個"USB4 不得不說,整個全面大降級。M.2少、USB少、VRM散熱降級, 多了個無用的PCI-E x16按鈕,ITX塞滿的情況要按那個按鈕也不是很方便 就連X870的賣點USB4也只開單port出來 看國外先出現的定價,可能就比X870 AORUS ELITE WIFI7 ICE便宜個1K$吧 好險上週不等了先買了X670E-I = = -- ※ 發信站: 批踢踢實業坊(www.ptt.org.tw), 來自: 211.76.58.165 (臺灣) ※ 文章網址: https://www.ptt.org.tw/PC_Shopping/M.1731422262.A.359
AreLies: 目前ITX給最扯的是微星 1.175.220.226 11/12 22:39
AreLies: Z890I EDGE Ti 一樣白色板 1.175.220.226 11/12 22:39
AreLies: 可惜是intel平臺 1.175.220.226 11/12 22:39
schula: 市場定位?還是開始練刀功了@@ 223.139.57.51 11/12 22:40
AreLies: X670E-I 8990超香 1.175.220.226 11/12 22:40
fu1vu03: 看到技嘉Z890I那個鳥樣,其實也沒抱多大 211.76.58.165 11/12 22:42
fu1vu03: 希望X870I會怎麼出了 211.76.58.165 11/12 22:42
h3971692: 技嘉這代X870真的瘋狂縮水...真是的 27.240.177.227 11/12 22:42
amos30627: 這版超過6000都嫌貴 101.9.65.198 11/12 22:45
intela03252: 其實說實在話,主板這東西是最不該 59.127.186.97 11/12 22:54
intela03252: 投資額外金錢的,非專業用戶只要供 59.127.186.97 11/12 22:54
intela03252: 電足夠就可以了 59.127.186.97 11/12 22:54
yenchieh1102: 這張白得真誘人...... 1.34.147.124 11/12 22:56
wensety2007: 用料還能退化== 111.71.213.93 11/12 23:08
Kazama168: https://i.imgur.com/N1jlI0c.jpeg 39.9.195.158 11/12 23:15
jasn4560: 非專業用戶 買外型好看的就對了(?)111.253.134.194 11/12 23:19
jasn4560: ITX+AM5+白色 抱歉 只有技嘉111.253.134.194 11/12 23:20
amos30627: 雞排B550i跟650i都很好 這代退化111.185.173.215 11/13 00:49
boren: 拜託微星比照Z890i再做一張AM5,就算少一 114.34.254.164 11/13 02:08
boren: 條M.2都行 114.34.254.164 11/13 02:08
g3322023: 幸好我現在心都在背插板上111.254.242.215 11/13 02:20
palcjm: 看來b650i還比較好...可惜聽說ram不好超也 220.138.40.95 11/13 02:33
palcjm: 沒貨了 220.138.40.95 11/13 02:33
saimeitetsu: 我還在用B450i的223.137.184.230 11/13 03:04
popbitch: 多了一個用不到的USB4,其他一堆降級 114.47.41.206 11/13 05:59
seraphalpha: AMD X870這一代真的比不上X670/B650 42.72.139.89 11/13 07:55
seraphalpha: 但價格更貴,小版更是各種砍,還好果 42.72.139.89 11/13 07:55
seraphalpha: 斷搶一張X670E-I 42.72.139.89 11/13 07:55
a1379: 反正白色版就能騙到一堆人錢了 偷料正好 42.73.77.116 11/13 08:06
a1379: 現在電腦零件根本是賣外觀 本末倒置 42.73.77.116 11/13 08:07
scorpioz: 我也還在用rog b450i,當年的i還算便宜 114.45.52.31 11/13 09:33
logus: 正在用技嘉b650i 用料真的猛 223.137.211.89 11/13 10:47
maplefoxs: 需要3條m.2其他不要… 180.217.27.169 11/13 11:06
soulllful: 靠腰 這規格也太糞 42.78.141.176 11/13 12:32
soulllful: 那我買微星那張b650i就好了啊 42.78.141.176 11/13 12:32
a951l753vin: 還好我也買了X670I 呵 27.53.56.198 11/13 14:41